Rugleuning wiebelt
- Jerry Stam (GAST)
- Nieuw lid
-
Minder
Meer
05-03-2014 15:14 #1402804
door Jerry Stam (GAST)
Beantwoord door Jerry Stam (GAST) in topic Misschien is het zo simpel als
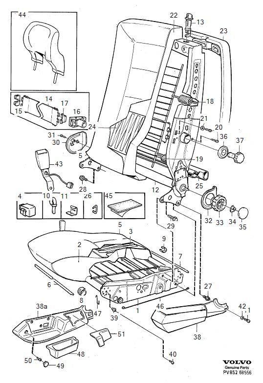
Bouten 27 en 29 die loszitten. Ik heb ook wel onderstellen gewisseld (hoogteverstelbaar naar niet verstelbaar) en die twee bouten (aan elke kant) zorgen ervoor dat boven en onderstel met elkaar verbonden zijn:
<img src=" i1094.photobucket.com/albums/i456/Jerry_...8556_zps965adb23.jpg " width="538" height="783" />
<img src=" i1094.photobucket.com/albums/i456/Jerry_...8556_zps965adb23.jpg " width="538" height="783" />
Graag Inloggen of een account aanmaken deelnemen aan het gesprek.
- V700 register
- Nieuw lid
-
Minder
Meer
05-03-2014 18:58 #1402807
door V700 register
Beantwoord door V700 register in topic Restauratie
Na de restauratie van het leer wiebelde de leuning wat meer als bij de originele stoelen, heb nooit met de leren stoel gereden voor de restauratie dus ik weet niet of er na de leer restauratie iets is gewijzigd t.o.v. daarvoor.
Ik had zelf eigenlijk geen last van het iets wiebelen, maar je voelde het wel. Daar heb je gelijk in.
Ik zou het zoeken in bout 27 en 29 op het overzichtsplaatje van Jerry (leidsekade), het is volgens mij puur een kwestie van de bevestiging van de leuning aan de stoel.
Ik had zelf eigenlijk geen last van het iets wiebelen, maar je voelde het wel. Daar heb je gelijk in.
Ik zou het zoeken in bout 27 en 29 op het overzichtsplaatje van Jerry (leidsekade), het is volgens mij puur een kwestie van de bevestiging van de leuning aan de stoel.
Graag Inloggen of een account aanmaken deelnemen aan het gesprek.
- V700 register
- Nieuw lid
-
Minder
Meer
13-03-2014 18:22 #1403087
door V700 register
Beantwoord door V700 register in topic Schroeven 27 en 29
Ik ga idd eens kijken....die stoel is er zo uit...en het plaatje van Jerry maakt het weer een stuk makkelijker zoeken.
Graag Inloggen of een account aanmaken deelnemen aan het gesprek.
Moderators: Jerry Stam





